Table-based version

Directory /pub/cbm/schematics/computers/c64/manual/

Service Manual, Model C64 Computer, Feb. 1985 PN-314001-02


../
[Parent directory]

c64--title.gif
title page
c64-00.gif
contents
c64-01.gif
specifications
c64-02.gif
major parts
c64-03.gif
block diagram
c64-04.gif
c64-05.gif
c64-06.gif
c64-07.gif
c64-08.gif
c64-09.gif
c64-10.gif
c64-11.gif
c64-12.gif
c64-13.gif
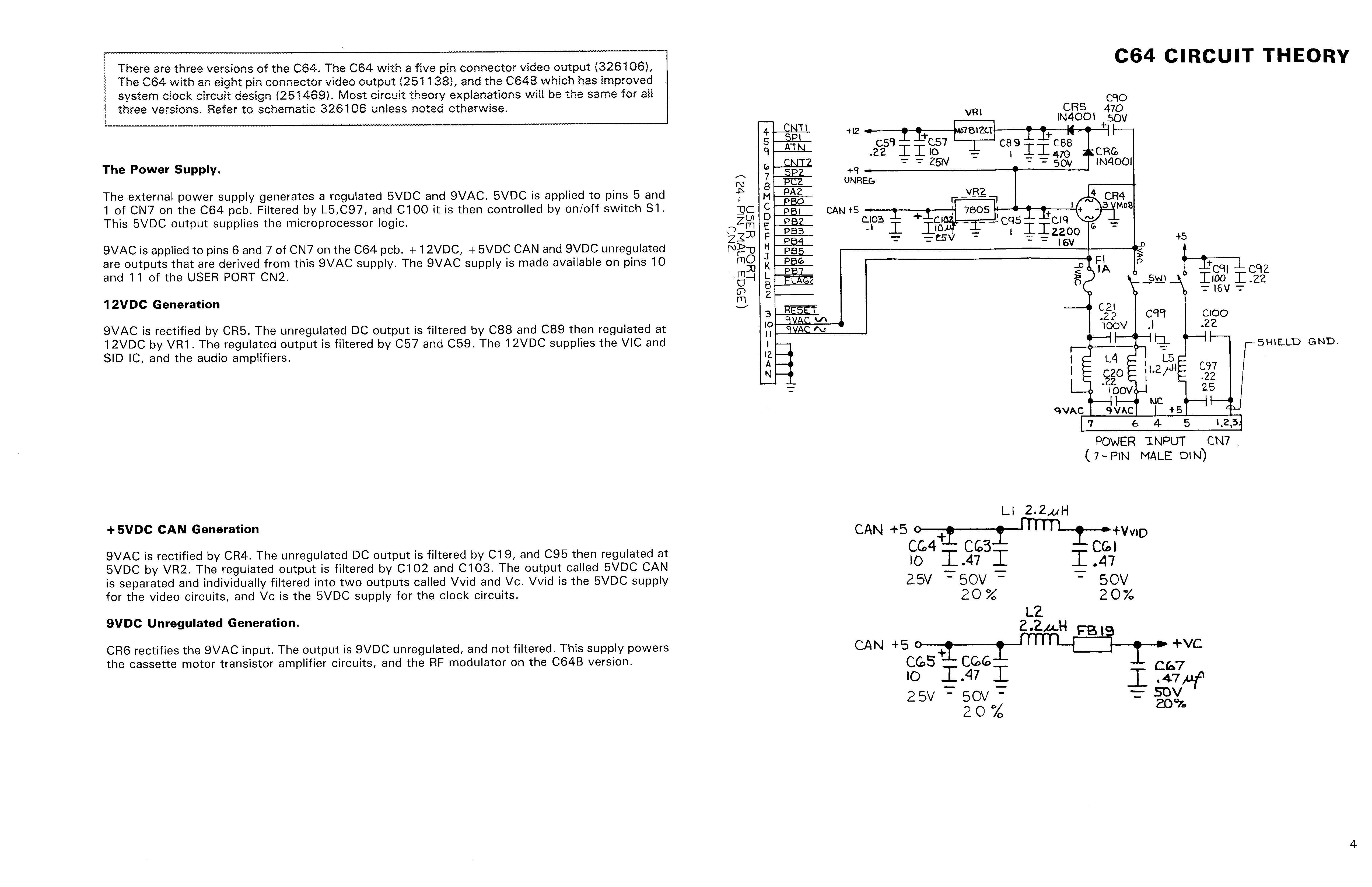
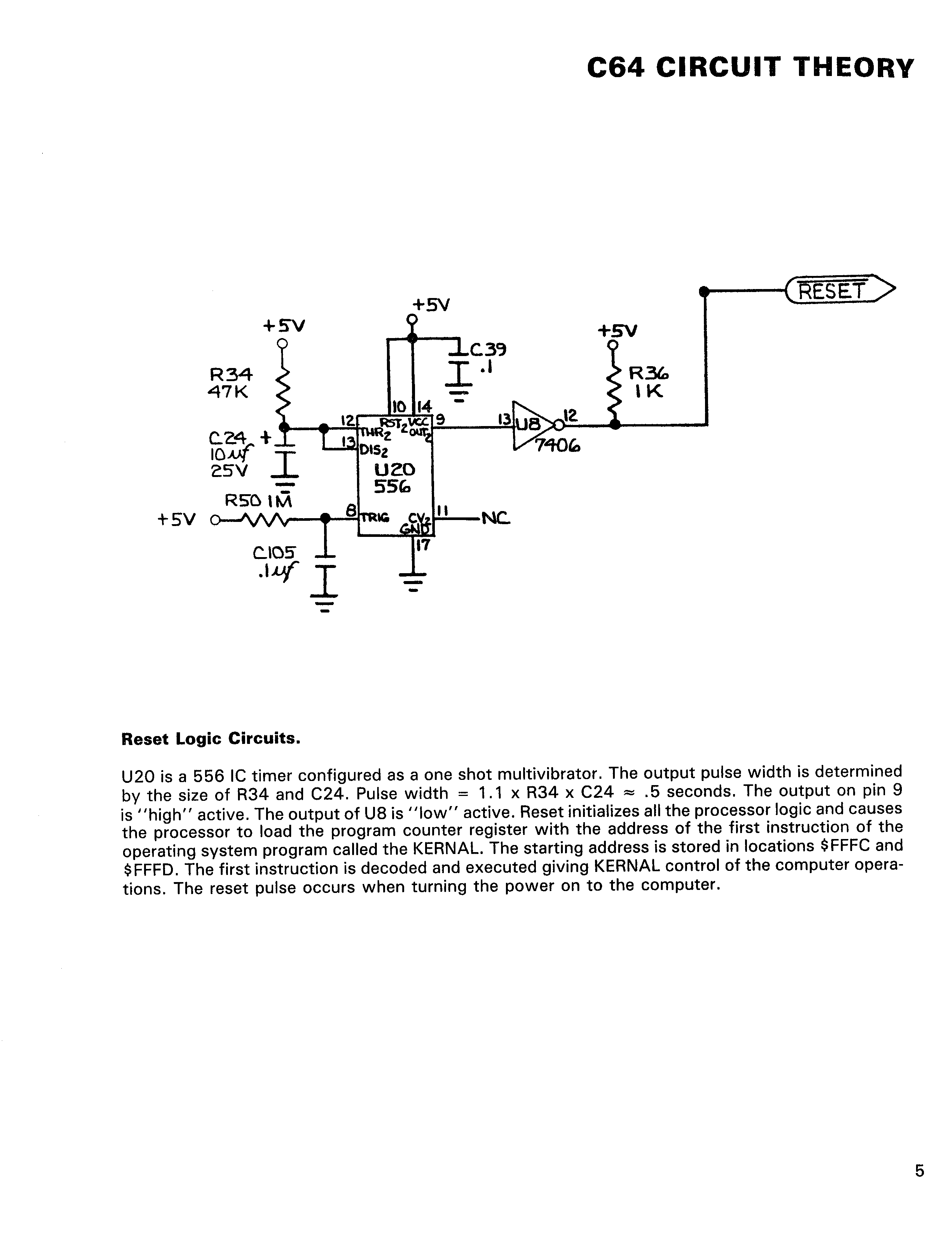
circuit theory
c64-14.gif
c64-15.gif
c64-16.gif
troubleshooting guide
c64-17.gif
board identification
c64-18.gif
board layout #326298-01
c64-19.gif
c64-20.gif
parts list for 326298
c64-21l.gif
6526 and 6581 pinouts
c64-21r.gif
schematic 326106 sheet 1 of 2
c64-22l.gif
RAM information
c64-22r.gif
schematic 326106 sheet 2 of 2
c64-23.gif
board layout #250407-04
c64-24.gif
c64-25.gif
parts list for 250407-04
c64-26l.gif
modulator schematic #251025
c64-26r.gif
schematic 251138 sheet 1 of 2
c64-27l.gif
6510 and PLA pinouts
c64-27r.gif
schematic 251138 sheet 2 of 2
c64-28.gif
board layout #250425-01
c64-29.gif
c64-30.gif
parts list for 250425-01
c64-31l.gif
modulator schematic #251696
c64-31r.gif
schematic #251469 sheet 1 of 2
c64-32l.gif
video chip pinout
c64-32r.gif
schematic #251469 sheet 2 of 2

[FTP://NIC.FUNET.FI/pub/cbm/schematics/computers/c64/manual/ | SunSITE ftp | SunSITE http]

Problems? Please consult /pub/cbm/README, /pub/cbm/README.FILETYPES and /README.FILETYPES!

Tired of downloading? See /pub/cbm/README.CD-ROM.


cbm-adm@ftp.funet.fi