[Prev] [Next] [Contents] [Commodore] [New] [Home]

C64 CIRCUIT THEORY

[8 pin video and audio schematic]
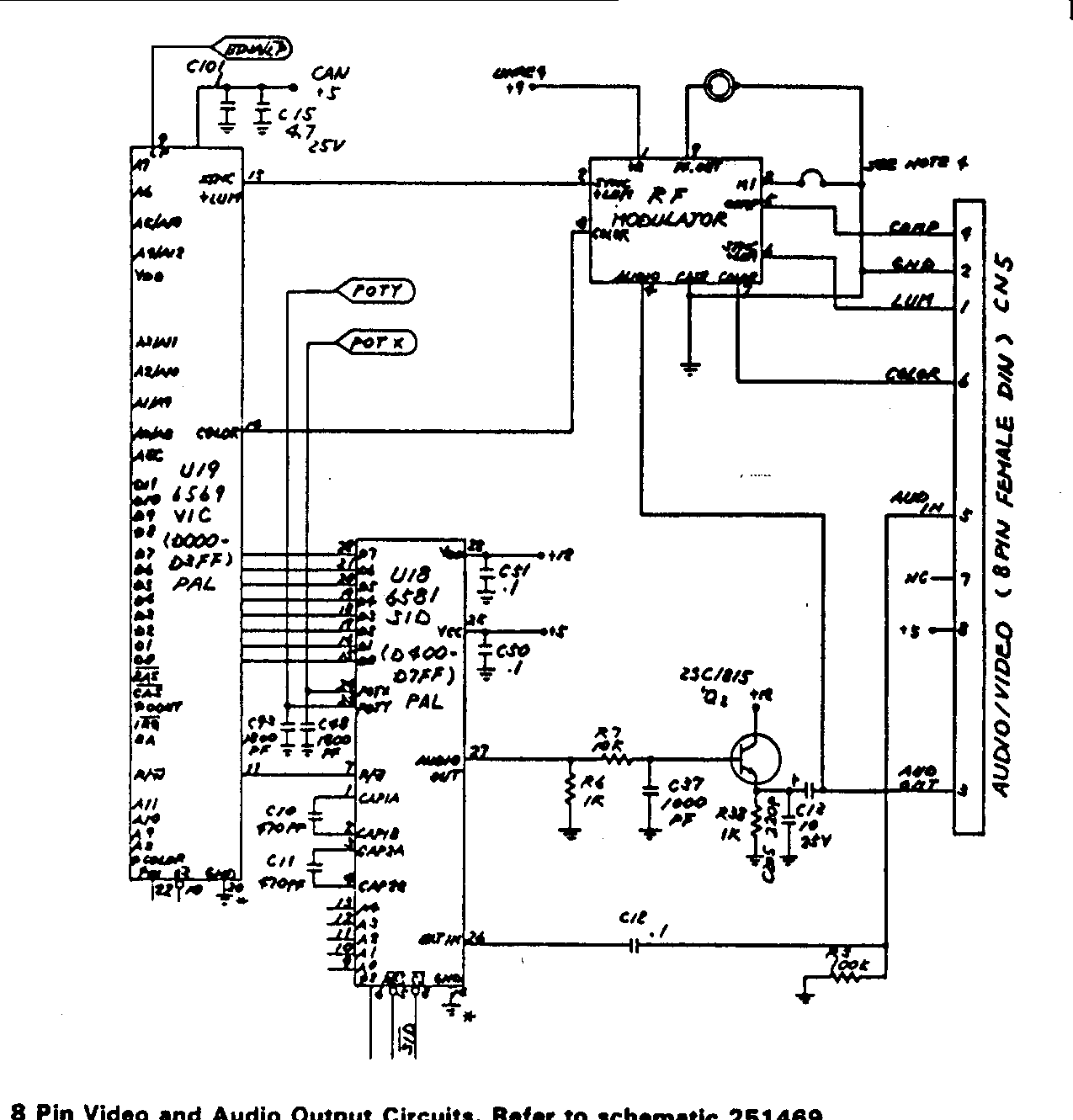
8 Pin Video and Audio Output Circuits. Refer to schematic 21469
U19 is the Video Interface Chip (VIC). Sync (horizontal and vertical), and luminance (video) is output on pin 15. This signal is passed to pin 2 of the RF modulator. Color is output on pin 14, and passed to pin 3 of the modulator. Light pen inputs are sensed by the VIC IC on pin 9. U18 is the Sound Interface Device (SID). The audio output is on pin 27, and audio input is on pin 26. The RF modulator mixes sync/luminance, color, and audio out, generating a TV composite signal on pin 5. The RF modulator also passes the VIC outputs to the monitor connector CN5. Audio out on pin 27 is amplified by Q2, and output on pin 3 of CN5. Audio in is applied to pin 5 of CN5, then to pin 26 of the SID IC. Inputs from paddles connected to on of the control ports are monitored by the SID IC on pins 23 and 24.
[Prev] [Next] [Contents] [Commodore] [New] [Home]
This page has been created by Sami Rautiainen.
Last updated September 30, 1997.
Read the small print.