|
|
A late CP/M system, born as a professional typewriter system
1985 was the launch date of the Amstrad PCW 8256 aka "Joyce", a 256KB RAM and Z80 driven system with a very uncommon floppy drive format (3" format, similar to the Amstrad CPC homecomputer series). A 90 chars/32 line screen format was also uncommon, but useful for typewriting.
PCW 8512 with printer
The successor, the PCW 8512, followed with 512 KB RAM and 2 floppy drives (one with 180 KB SS/40 tracks, one additional drive with 720 KB DS/80 tracks).
Both had a motorola 6845 compatible crt controller, but realized in an own, very large integrated chip with additional logic, also they used the upd 765 floppy controller, which was also used later by IBM PC compatibles.
It was possible to extend the older 8256 system with a second 180 KB floppy (from an other old PCW/CPC system), but you have to use the latest CP/M Plus v1.15 system and an additional file named B180.FIB (this was in fact a floppy geometry description file), also this second drive must jumpered as DRIVE 1 or a cable adaptor must be used (see here). Also, it was possible for both systems (8256,8512) to use the keyboard of the later published PCW 9256/9512 with the help of a small utility named CPMKEYS.COM (which just redefines the keyboard matrix).
A fan sticker (issued in germany, Schneider "Joyce"):

Where to find more games, apps and emulators ?
Take a look at silverka.net (or their search form) and for the latest CP/M Box PCW Emulator, go to habisoft.com ...
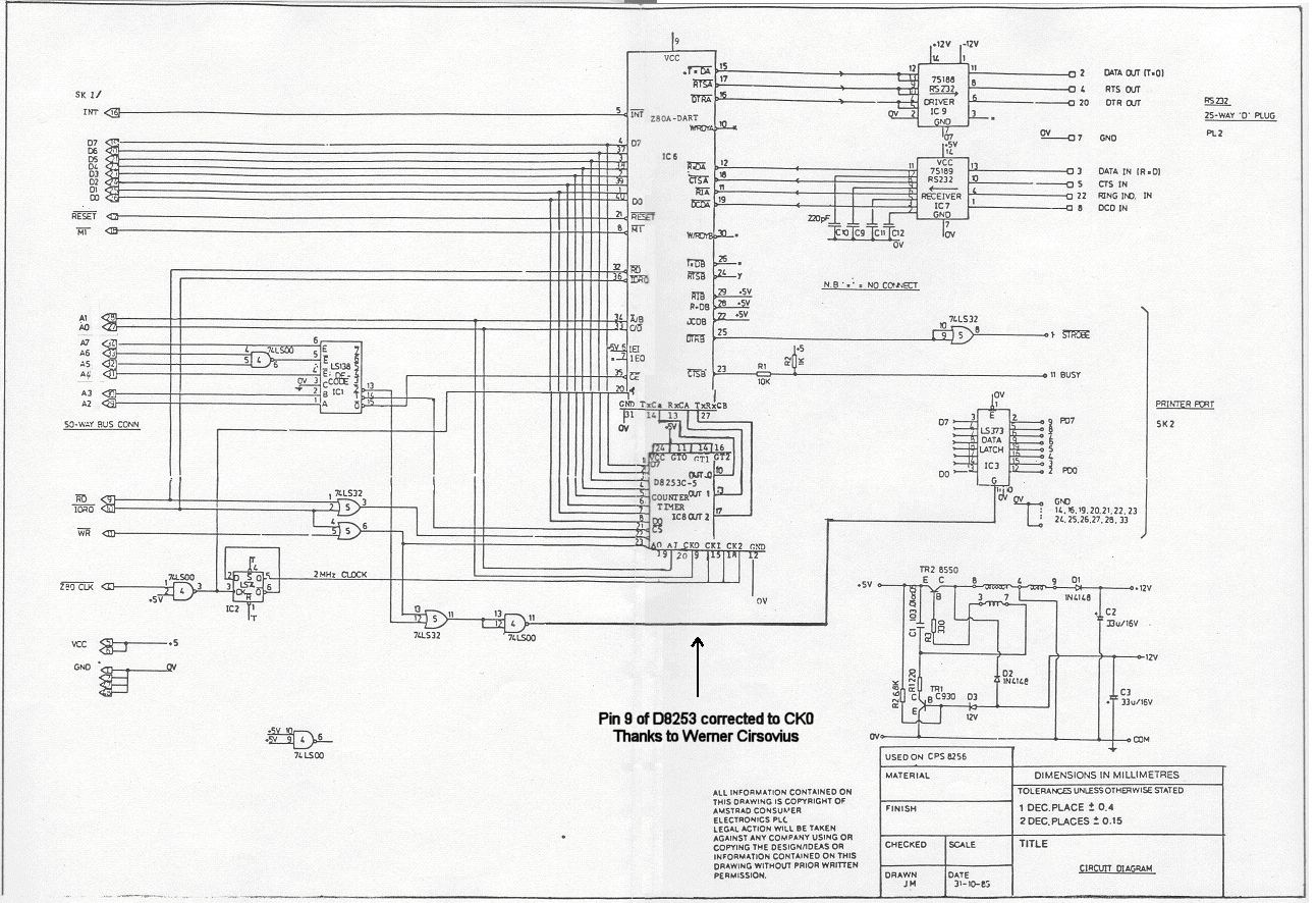
A detailed description of the CPS 8256 serial/parallel interface
It could be used to transfer files between the PCW 8256 / PCW 8512 and a PC. You have to use a transfer program, too.
KERMIT should be the best solution to transfer files. To get KERMIT-80 V4.08 for the PCW series, download this file.
Upper view:

Lower side view:

PCB upper view:

PCB lower view:

Additional piggyback PCB for -12V/+12V generation (side view):

Upper view of the piggyback PCB:

HighRes picture from the component side here
HighRes picture from the layer side here
HighRes picture from the component side without ICs
and without piggyback PCB (light) here
HighRes picture from the component side without ICs
and without piggyback PCB (darker) here
Component list:
MC1488 (75188N) [IC9]
MC1489A (SN75189AN) [IC7]
74LS138PC [IC1]
NEC D8253C-5 [IC8]
ZILOG Z8470APS Z80DART [IC6]
HD74LS00P [IC4]
HD74LS32P [IC5]
T74LS373B (SGS) [IC3]
HD74LS74AP [IC2]
C3,C4,C5,C7,C8,C14,C15 104 50V
C9,C10 221J CM57
C2,C6,C13,C16 104 50V
C7 47uF 10V
R1,R2,R3 10K (brown-black-red)
additional piggyback pcb (this pcb generates -12V and +12V for the RS232)
R2 6,8K (blue-grey-red)
R3 33 (orange-orange-black)
R1 280 (red-grey-brown) this is the resistor between +5V and -5V label
TR1 C930E5G
TR2 M1 8550
C2,C3 33uF 16V
D1,D2,D3 small diodes
L1 -no value found- seems to be a small transformer
NEW! Have received a circuit diagram, many thanks to the contributor !
You can view this diagram by click on the diagram info picture below:

Look also for the chapter Hardware Infos at Werner Cirsovius's CP/M page.
Also, take a look at this page and that page also for a detailed I/O port description.
And this is a possible solution to implement 2 serial interfaces with a Z80DART (excerpt, click on the image below for a full view):

|